Quick Search
Manufacturer
All
ACCUWAY
AMADA
AVM - Angelini
Baruffaldi
Benzinger
Biglia
BMT
Boehringer
Boley
Bumotec
Chiah Chyun
Cincinnati
Citizen
CMZ
Colchester
Daewoo
Dainichi
Danobat
DMC
DMG MORI
DN Solutions
Doosan MECATEC
Duplomatic
EGURO
EMAG
EMCO
Ergomat
FAMAR
FUJI
Ganesh
Georg Fischer
Goodway
Graziano
Haas
Habegger
Hankook
Hanwha
Hardinge
Heyligenstaedt
Hitachi Seiki
HURCO
Hwacheon
Hyundai WIA
IKEGAI
Index
JOHNFORD
Jyoti
KOVOSVIT MAS
LARU
LEADWELL
Manurhin
Matra
Maxsin
Mazak
Miyano
Monarch
Monforts
Mori Seiki
MT EVO (MTRent)
MÜGA
Murata-Muratec
Nakamura-Tome
NILES
Okuma
PROMAX
ROMI
Saeilo
Sauter
Schaublin
SMART
SMEC
Spinner
Star
STYLE
Takamaz
Takisawa
Tongtai
Tornos
Traub
TRENS
TSUGAMI
Victor
Weiler
WFL
XXX
YCM
Model
All
Werkzeughalter
All
fixed tool holder
rotary tool holder
4184
Products
Detailed View
Data Sheet in pdf Format
Request
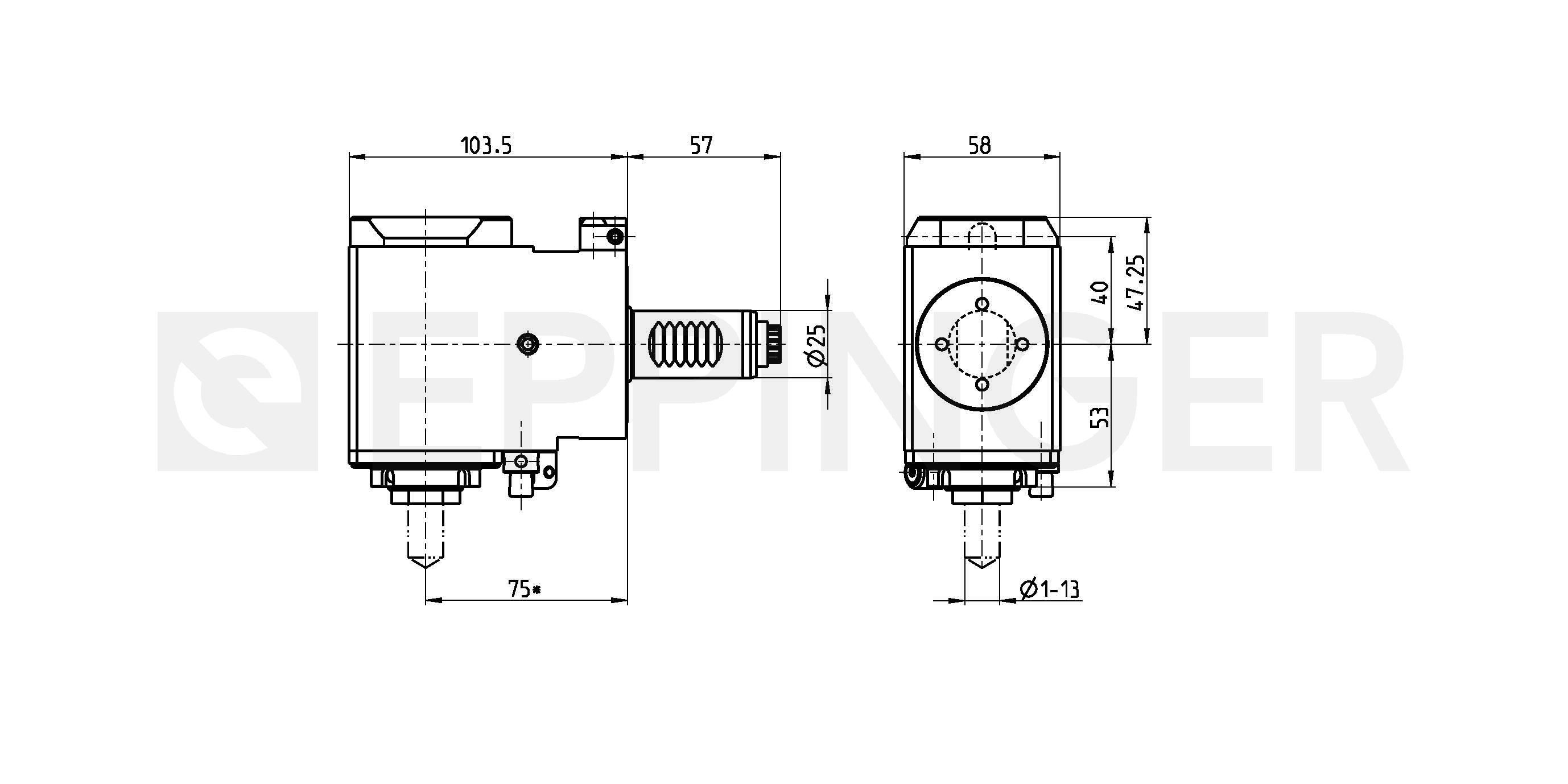
Drilling and milling head, angular, left hand - right hand collet chuck, ER20A, PRECI-FLEX® external coolant supply
Part Number
2.700.070
for
7 Machines
Ratio
1:1
rpm at Input
max. 6000 rpm
rpm at Output
max. 6000 rpm
Torque at Output
max. 25 Nm
Direction of Rotation
Scope of Delivery
without wrench and collets * Actual size inscribed on the tool
Accessories
Collets see Equipment for Toolholders Z2. Wrench for spindle 0.002.325 PRECI-FLEX® Adapter Protection cover for spindle see P99.1
Additional CAD Files:
2D-View
3D-View
2D-View
3D-View
Data Sheet in pdf Format